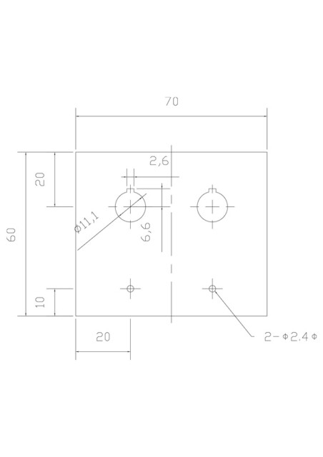
鉄道模型製作部品 2024.08.25 55 views 素材:鉄(スチール) 穴開け加工は出来ますか。 お見積り回答になります。 価格は税込みです。 普通鋼板 レーザー切断 2.3x60x70 異型穴x2・Φ2.4穴x2 – 8枚 一式 13,992円 別途送料(関東):796円 出荷まで受注後10-14営業日程となります。 関連商品 鋼板 板厚2.3mm レーザー切断 防音ブースの大引材としてC型鋼材 防油堤の材料 縞鋼板の御見積り依頼 最近の見積もり一覧 注文している物に穴を開けていただきたい 2026.05.22 0 views アルミ見積依頼 2026.05.21 0 views 対応可否のご確認 2026.05.20 0 views ウェブでは承れない商品の問い合わせ 2026.05.19 0 views 浄化槽フタ見積依頼 2026.05.18 0 views 丸パイプ見積りのお願い 2026.05.15 0 views 穴あけの位置等 2026.05.14 0 views